S64DB-12-135
  • S64DB-12-135 S64DB-12-135

S64DB-12-135

مدل:S64DB-12-135

سیلندرهای هیدرولیک HCIC S64DB-12-135: ممتاز، گزینه های قابل تنظیم برای خریداران صنعتی جهانی. مشخصات قابل اعتماد، عملکرد ثابت، معاملات مستقیم کارخانه - ایده آل برای خرید ساخت و ساز، معدن و کشاورزی.

  • Number Stages:

    4
  • Nominal Stage OD:

    6
  • Stroke:

    135
  • Closed:

    47.19
  • Open:

    182.19
  • Pin:

    1.75
  • Width:

    8

ارسال استعلام

توضیحات محصول

برای خریداران تجهیزات صنعتی این اطلاعات سیلندر HCIC S64DB-12-135 است. مشخصات اصلی، کیفیت ساخت، محل استفاده، خدمات سفارشی. همه عملی بدون کرک.


customizable hydraulic cylinders


parker multi-stage hydraulic cylinders


I. مشخصات هسته: متناسب با اکثر کارهای نصب


HCIC S64DB-12-135 = طراحی استاندارد. برای اکثر ماشین های صنعتی کار می کند. انتقال نیرو، نصب - بدون مشکل.


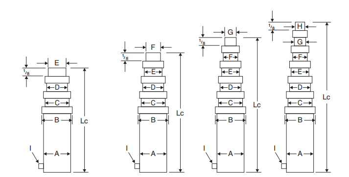
• ابعاد سازه:قطر بیرونی 6. 4 مرحله. سکته مغزی 135. طول بسته 47.19. طول تمدید شده 182.19. فشرده. متناسب با اسلات های استاندارد نصب دستگاه.

• سازگاری با نصب:اندازه پین ​​1.75 / 1.5. عرض 8 / 2.69 مطابقت دارد. جوش، لولا - هر دو کار می کنند. اکثر ماشین ها به حالت صفر نیاز دارند.

• عملکرد پایه:مهر و موم صنعتی استاندارد. بدون توقف در شرایط عادی اجرا می شود. مطابق با استانداردهای رایج فشار هیدرولیک.


heavy-duty hydraulic cylinders


II. کیفیت ساخت: قابل اعتماد، بدون خرابی


ما هر مرحله را بررسی می کنیم. از مواد اولیه گرفته تا حمل و نقل. بدون میانبر فقط کیفیت ثابت


(1). مواد اولیه:بشکه = لوله فولادی بدون درز 45#. میله پیستون = کوئنچ شده + روکش کروم. مقاومت در برابر سایش، مقاومت در برابر زنگ زدگی. مناسب برای مصارف صنعتی معمولی

(2). پردازش و مونتاژ:دیواره داخلی سیلندر = صاف تراشیده شده. پیستون بدون گیر کردن حرکت می کند. آب بندی صنعتی = نشتی روغن کمتر.

(3). بررسی کیفیت:هر سیلندر 3 تست را پشت سر می گذارد. تست فشار تست سکته مغزی تست مهر و موم ما تمام داده های تست را ذخیره می کنیم. فقط پاس = ارسال به خارج.

dump hydraulic cylinder

III. سناریوهای کاربردی: برای همه نوع دنده کار می کند


سیلندرهای S64DB برای بسیاری از زمینه های صنعتی مناسب هستند. قطعات قدرت جامد برای ماشین آلات.


• ماشین آلات ساختمانی:بیل مکانیکی، لودر. مناسب درایوهای بوم و سطلی. دسته بالابر، تلسکوپ، چرخش. مناسب برای کارهای ساختمانی روزانه

• متالورژی و معدن:تنظیمات کوره، کنترل تغذیه سنگ شکن. در محیط های سخت کار می کند. الزامات اساسی زمینه را برآورده می کند.

• ماشین آلات کشاورزی:بذرپاش، دروگر. عمق کاشت را تنظیم می کند، سربرگ ها را بلند می کند. کشاورزی را کارآمدتر می کند.

• تجهیزات ویژه:پارامترها را تغییر دهید. مناسب آسانسورهای هوایی، فشرده ساز زباله. پشتیبانی اولیه برق - انجام شد.


IV. سوالات متداول

پاسخ های عملی به سوالات شما در مورد سیلندر هیدرولیک HCIC S64DB-12-135، از جمله مشخصات، سازگاری، کیفیت و سفارشی سازی.

📏 مشخصات و سازگاری اصلی

س: آیا سیلندر HCIC S64DB-12-135 بدون تغییر با ماشین صنعتی استاندارد من مطابقت دارد؟

ج: قطعا. HCIC S64DB-12-135 یک سیلندر هیدرولیک با طراحی استاندارد با ابعاد ساختاری فشرده (قطر بیرونی 6، طول بسته 47.19، طول گسترده 182.19) و اندازه پین ​​های سازگار (1.75 / 1.5) و عرض (8 / 2.69) است. این دستگاه با اکثر شکاف‌های استاندارد نصب دستگاه، و کار نصب جوش و لولا مطابقت دارد - اکثر ماشین‌های صنعتی برای نصب آن برای انتقال نیرو یا کارهای دیگر به حالت صفر نیاز دارند.

س: مشخصات ساختاری و عملکردی سیلندر HCIC S64DB-12-135 چیست؟

پاسخ: HCIC S64DB-12-135 دارای 4 مرحله است، یک حرکت 135 اینچی، طول بسته 47.19 اینچ و طول توسعه یافته 182.19 اینچ. از مهر و موم های صنعتی استاندارد استفاده می کند، بدون توقف در شرایط صنعتی معمولی کار می کند و استانداردهای رایج فشار هیدرولیک را برآورده می کند. طراحی جمع و جور آن را برای مکان‌های تنگ در اکثر ماشین‌آلات صنعتی ایده‌آل می‌کند.

س: چه گزینه های نصب برای سیلندر HCIC S64DB-12-135 موجود است؟

پاسخ: این سیلندر از دو روش معمول نصب صنعتی پشتیبانی می کند: جوشکاری و لولا. این پین با اندازه‌های پین سازگار (1.75 و 1.5) عرضه می‌شود و با عرض دستگاه استاندارد (8 و 2.69) مطابقت دارد، بنابراین می‌توانید آن را با استفاده از روشی که به بهترین وجه متناسب با تجهیزات شما است نصب کنید - بدون نیاز به آداپتورهای نصب سفارشی برای اکثر ماشین‌ها.

س: آیا سیلندر HCIC S64DB-12-135 می تواند استفاده صنعتی مداوم و بدون وقفه را اداره کند؟

ج: بله. این با مهر و موم های صنعتی استاندارد ساخته شده است و استانداردهای فشار هیدرولیک رایج را برآورده می کند که به آن اجازه می دهد در شرایط صنعتی معمولی بدون توقف کار کند. دیواره سیلندر داخلی صاف، حرکت پیستون را بدون چسبندگی تضمین می کند، و مواد با کیفیت بالا در برابر سایش مقاومت می کنند - مناسب برای استفاده مداوم روزانه در ماشین آلات ساختمانی، کشاورزی یا متالورژی.

⚙️ کیفیت ساخت و سناریوهای کاربردی

س: برای ساخت سیلندر HCIC S64DB-12-135 از چه موادی استفاده شده است و چقدر بادوام است؟

پاسخ: لوله سیلندر از لوله فولادی بدون درز 45# ساخته شده است و میله پیستون خاموش و روکش کروم است - این ترکیب در برابر سایش و زنگ زدگی مقاوم است و برای استفاده معمولی صنعتی مناسب است. دیواره داخلی برای جلوگیری از چسبیدن پیستون صاف می شود، و آب بندی های صنعتی نشتی روغن را کاهش می دهند - همه اینها عملکرد طولانی مدت و قابل اعتماد بدون خرابی غیر منتظره را افزایش می دهند.

س: سیلندر HCIC S64DB-12-135 قبل از ارسال چه آزمایش های کیفیتی را پشت سر می گذارد؟

پاسخ: هر سیلندر HCIC S64DB-12-135 قبل از ارسال، 3 آزمایش دقیق را پشت سر می گذارد: آزمایش فشار (برای مطابقت با استانداردهای هیدرولیک)، تست ضربه (برای اطمینان از حرکت صاف)، و آزمایش آب بندی (برای جلوگیری از نشت روغن). ما تمام داده‌های آزمایش را برای مراجعات بعدی ذخیره می‌کنیم و هرگز سیلندری را ارسال نمی‌کنیم که از هر سه مورد عبور نکند - بدون میان‌بر، فقط کیفیت ثابت.

س: سیلندر HCIC S64DB-12-135 برای چه رشته ها و ماشین آلات صنعتی مناسب است؟

پاسخ: این سیلندر همه کاره است و برای بسیاری از زمینه های صنعتی مناسب است. این برای ماشین آلات ساختمانی (بیل مکانیکی، لودر برای درایوهای بوم/سطل)، تجهیزات متالورژی و معدن (تنظیمات کوره، کنترل خوراک سنگ شکن)، ماشین آلات کشاورزی (بذرکار، دروگر برای تنظیم عمق بذر) و تجهیزات ویژه (بالابرهای هوایی، تراکم‌کننده زباله) کار می‌کند - این یک قطعه قدرت جامد برای همه نوع است.

س: آیا سیلندر HCIC S64DB-12-135 می تواند در محیط های سخت معدنی یا متالورژی عملکرد خوبی داشته باشد؟

ج: بله. میله پیستون کوئنچ شده و روکش کروم در برابر زنگ زدگی و سایش مقاوم است و بشکه فولادی بدون درز 45# به اندازه کافی سخت است که بتواند شرایط سخت معادن و سایت های متالورژی را تحمل کند. این برای تنظیمات کوره و کنترل تغذیه سنگ شکن طراحی شده است و الزامات میدانی اساسی را برآورده می کند - در زمانی که بیشتر به آن نیاز دارید نگران خراب شدن آن نخواهید بود.

🛡️ سفارشی سازی و مزایای همکاری

س: آیا می توانم سیلندر HCIC S64DB-12-135 را برای رفع نیازهای تجهیزات ویژه خود سفارشی کنم؟

ج: قطعا. اگر استاندارد HCIC S64DB-12-135 برای دستگاه شما مناسب نیست، ما راه حل های هیدرولیک سفارشی را ارائه می دهیم. ما می‌توانیم ساختار، خط، سبک نصب و مهر و موم‌ها را بر اساس نیازهای خاص شما تنظیم کنیم - فقط با تیم فنی ما یک به یک کار کنید تا محیط، نیازهای برق و فضای نصب دستگاه شما را تأیید کنیم، و ما راه‌حلی متناسب با شما ایجاد خواهیم کرد.

س: فرآیند دریافت نسخه سفارشی سیلندر HCIC S64DB-12-135 چیست؟

پاسخ: فرآیند سفارشی ساده است: 1) ابتدا تیم فناوری ما با شما چت می کند تا نیازهای شما را تأیید کند و یک سند نیازهای واضح ایجاد کند. 2) سپس، ما مشخصات سیلندر را تنظیم می کنیم و نقشه ها را برای تأیید برای شما ارسال می کنیم. 3) پس از تأیید، ما آن را تولید می‌کنیم (اول می‌آیند، اولین خدمت) و از طریق روش دلخواه شما (حمل و نقل دریایی/هوایی برای مشتریان جهانی) ارسال می‌کنیم. 4) در نهایت، ما پشتیبانی پس از فروش را برای نصب و استفاده ارائه می دهیم.

س: هنگام سفارش سیلندر HCIC S64DB-12-135 به طور مستقیم از کارخانه شما چه مزایایی به دست می‌آورم؟

پاسخ: سفارش مستقیم از کارخانه HCIC ما دو مزیت بزرگ دارد: اول، مزیت قیمت - بدون واسطه، بنابراین در هزینه ها صرفه جویی می کنید، و سفارشات انبوه تخفیف های بهتری دریافت می کنند. دوم، پشتیبانی تجارت خارجی - ما اسناد چندزبانه، نکات کد گمرکی و کمک به اسناد اظهارنامه را ارائه می دهیم، بنابراین خرید برون مرزی راحت است. ما همچنین گارانتی استاندارد و تعمیر/قطعات رایگان را برای آسیب های غیر انسانی ارائه می دهیم.




V. خدمات سفارشی: سیلندرها را به روش خود بسازید


نیازهای خاص؟ ما یک فرآیند ساده داریم. راه حل های هیدرولیک سفارشی برای شما.


(1). نیاز به گفتگو:تیم فناوری ما یک به یک چت می کند. محیط دستگاه، نیاز برق، فضای نصب را تأیید کنید. یک سند نیازهای واضح به شما بده.

(2). مرحله طراحی:تنظیم ساختار، سکته مغزی، نصب، مهر و موم. بر اساس نیاز شما. برای تایید نقشه ها را برای شما ارسال کنید.

(3). تولید و تحویل:سفارشات سفارشی = اولین مراجعه، اولین خدمت. مدل‌های سفارشی معمولی = زمان استاندارد. حمل و نقل دریایی / هوایی برای مشتریان جهانی.

(4). پشتیبانی پس از فروش:گارانتی استاندارد. آسیب غیر انسانی = تعمیر / قطعات رایگان. خط تلفن فنی = به سوالات نصب/استفاده در هر زمان پاسخ می دهد.


double-acting telescopic hydraulic cylinders

VI. مزایای همکاری: معاملات جهانی آسان


HCIC = کارخانه سیلندر هیدرولیک حرفه ای. کار با مشتریان جهانی خوب است.


• مزیت قیمت:مستقیم کارخانه بدون واسطه صرفه جویی در هزینه ها سفارشات عمده = تخفیف بهتر.

• پشتیبانی تجارت خارجی:اسناد چند زبانه نکات کد گمرکی کمک در مورد اوراق اظهارنامه خرید فرامرزی = روان.


VII. تماس با ما:

HCIC یک تولید کننده هیدرولیک حرفه ای است که عمدتاً در طراحی سیستم هیدرولیک، ساخت، نصب، تغییر شکل، راه اندازی و فروش و خدمات فنی برند قطعات هیدرولیک فعالیت می کند. امیدواریم که محصول ما بتواند به صرفه جویی در هزینه شما و بهبود کیفیت شما کمک کند.برای جزئیات بیشتر لطفاً به ما ایمیل بزنید "davidsong@mail.huachen.cc" یا جستجوی گوگل "HCIC hydraulic"


تگ های داغ: S64DB-12-135، تولید کنندگان، تامین کنندگان، عمده فروشی، سفارشی، موجودی، کامیون رد شده، چین، برف پاک کن

دسته بندی مرتبط

ارسال استعلام

لطفاً درخواست خود را در فرم زیر ارائه دهید. ما ظرف 24 ساعت به شما پاسخ خواهیم داد.
X
ما از کوکی ها استفاده می کنیم تا تجربه مرور بهتری به شما ارائه دهیم، ترافیک سایت را تجزیه و تحلیل کنیم و محتوا را شخصی سازی کنیم. با استفاده از این سایت، شما با استفاده ما از کوکی ها موافقت می کنید. سیاست حفظ حریم خصوصی
رد کردن قبول کنید